Denne auktion er afsluttet!
Se flere auktioner
Objekt-id: 1332094

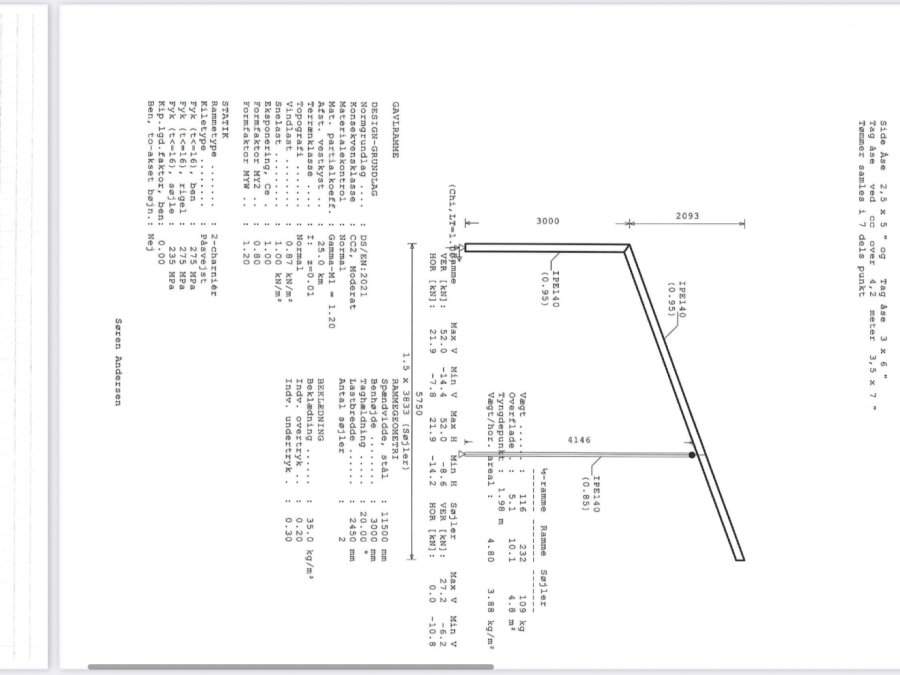
Stålkonstruktion til lagerhal 300 m2

Snedker & Tømrerfirma

Hvilken endelig pris skal din maskine indbringe?

Kontakt din lokale auktionsmægler.

Sælg på Klaravik
Sådan fungerer afhentning

Varen forbliver hos sælgeren, indtil køberen har betalt for varen. Når betalingen er modtaget, får køberen adgang til sælgers kontaktoplysninger og kan aftale afhentning (inden for 15 dage efter auktionens afslutning). Har du spørgsmål om afhentning? Kontakt os på 7220 7035 eller send en e-mail til info@klaravik.dk

Læssehjælp efter aftale med sælgeren
Sikker betaling
Når du vinder et bud, modtager du en faktura fra Payex til din e-mailadresse den dag, auktionen slutter.
payex-logo

Stålkonstruktion til lagerhal 300 m2

Vigtig info

Som køber skal du kontrollere objektet ved afhentning Herefter kan der ikke gøres indvendinger. Hvis objektet adskiller sig væsentligt fra beskrivelsen, skal Klaravik kontaktes inden objektet fragtes (bemærk, at der gælder særskilte vilkår for konkursauktioner). Alle objekt findes hos den sælgende virksomhed, og du som køber har ansvar for afhentning og fragt. Som køber har du 15 dage til at afhente objektet, efter auktionen er afsluttet.

Gem favorit

Log ind for at gemme dine favoritter og enkelt finde tilbage til varen, og holde styr på auktionerne.

Enklere budgivning
med Klaraviks
app